政府信息公开
政府信息公开指南
政府信息公开制度
依申请公开
政府信息公开年报
03
2026-03甘孜州商务经济合作和外事局 甘孜州财政局 2026年关于延续消费品以旧换新州内 创新政策的函
各县(市)人民政府、海管委:
为贯彻落实国省扩大内需、促进消费决策部署,确保政策平稳衔接,经州人民政府同意,实施以下延续政策措施。
一、主要延续政策内容
(一)持续实施汽车促销补贴。持续开展甘孜州汽车专场促销活动,在州内购买乘用车的个人消费者,补贴标准为裸车价在10万元(含)以下、10万元-20万元、20万元以上的,燃油乘用车每辆分别补贴2000元、4000元、6000元,新能源乘用车每辆分别补贴3000元、5000元、7000元。完成州内登记上户的消费者额外给予1000元补贴。
(二)优化家电及相关产品促销补贴。对个人消费者在州内购买冰箱、冰柜、洗衣机、电视、电脑、热水器、取暖设备等家电产品,按最终销售价格的10%给予补贴,单台产品补贴金额最高不超过500元,每人每类产品享受1件补贴。智能家居、家装厨卫、家庭安防,统一参照上述家电产品补贴政策执行。
(三)延续电动自行车、电动摩托车促销补贴。对个人消费者在州内购买电动自行车或电动摩托车的,按500元/辆的标准给予定额补贴。
二、政策调整事项
为优化资金使用效益,取消2026年家装消费券活动。
3政策执行时间
执行期为2026年1月1日至2026年12月31日。
四、相关要求
(一)明确责任分工。建立“州级统筹、县(市)落实、部门协同”的工作机制。州商务经济合作外事局负责政策组织实施及补贴申请复核;州财政局负责财政资金保障、拨付及资金使用监管;各县(市)政府负责本行政区域内政策宣传解读、补贴申请受理、资料初审、数据统计等工作;市场监管、税务等相关部门按职责分工,做好产品质量监管、发票核查等配合工作。
(二)强化资金监管。严格执行财政资金管理相关规定,加强对补贴资金申报、审核、拨付全流程监管,及时兑现补贴资金,确保资金专款专用、安全规范,对虚报冒领、骗取补贴资金等行为,依法依规追究相关单位和人员责任。
(三)加强宣传引导。各县(市)、各相关部门要通过政府官网、政务新媒体、线下宣传点、合作商户门店等多种渠道,全面解读政策内容、申报流程、补贴标准等关键信息,及时回应群众关切,提升政策知晓率和群众参与积极性,营造“愿消费、敢消费、能消费”的良好氛围。
(四)做好数据统计分析。建立实施动态监测机制,各县(市)、各相关部门要定期汇总补贴发放、消费增长等相关数据,及时分析政策实施效果,梳理存在的问题并提出优化建议。
请各县(市)积极争取资金支持,建立高效完善的政策传导机制,加快推动政策落地落实。此前发布的有关规定与本文件不一致的,按本文件执行。
附件:
1.2026年全州汽车促销活动实施细则
2.2026年家电及相关产品促销活动操作细则
甘孜州商务经济合作和外事局 甘孜州财政局
2025年1月13日
03
2026-03甘孜州商务经济合作和外事局 关于征选“圣洁甘孜·年味食光”新春消费券惠民活动第二批餐饮参与商户名单公示
我单位于2026年2月28日至3月3日,组织各县(市)推荐“圣洁甘孜·年味食光”新春消费券惠民活动第二批餐饮参与商户,收到符合活动需求、质量和服务条件的15家。对本次邀请参与活动结果如有异议,请于公示发布之日起3个工作日内以书面形式向本单位提出质疑,逾期不予受理。现将参与商户名单公示如下:
联系地址:甘孜州康定市工商大厦六楼商务和经济合作局
联系人:月丽娜
联系电话:18990479277
附件:“圣洁甘孜·年味食光”新春消费券惠民活动第二批餐饮参与商户名单
甘孜州商务经济合作和外事局
2026年3月3日
13
2026-02甘孜州商务经济合作和外事局关于实施2026年汽车以旧换新补贴政策的公告
为贯彻落实四川省商务厅等8部门《关于印发〈四川省2026年汽车以旧换新补贴实施细则〉的通知》(川商资流〔2026〕2号)要求,稳妥有序推进全省2026年汽车以旧换新补贴政策在我州落地实施,现就有关事宜公告如下。
一、政策实施时间
政策自2026年1月1日(含当日,下同)起实施,至补贴资金使用完毕或政策期满即止。政策实施节奏根据资金到位情况和使用进度均衡调控,实行总额控制、用完即止。
二、汽车报废更新补贴
对个人消费者报废2013年6月30日前注册登记的汽油乘用车、2015年6月30日前注册登记的柴油及其他燃料乘用车,或2019年12月31日前注册登记的新能源乘用车,并购买纳入工业和信息化部《减免车辆购置税的新能源汽车车型目录》的新能源乘用车新车或2.0升及以下排量的燃油乘用车新车,给予一次性补贴。
对报废符合上述条件旧乘用车并购买符合上述条件新能源乘用车的,按新车销售价格(价税合计,下同)的12%给予补贴,补贴金额(向上取整至整元,下同)最高2万元;对报废符合上述条件燃油乘用车并购买2.0升及以下排量燃油乘用车的,按新车销售价格的10%给予补贴,补贴金额最高1.5万元。
三、汽车置换更新补贴
对个人消费者通过售卖方式转让登记在本人名下的乘用车,并购买纳入工业和信息化部《减免车辆购置税的新能源汽车车型目录》的新能源乘用车新车或2.0升及以下排量燃油乘用车新车,给予一次性补贴。
对换购符合上述条件新能源乘用车的,按新车销售价格的8%给予补贴,补贴金额最高1.5万元;对换购符合上述条件燃油乘用车的,按新车销售价格的6%给予补贴,补贴金额最高1.3万元。
四、相关要求
(一)新乘用车《机动车销售统一发票》开具地为甘孜州的个人消费者,通过登录全国汽车流通信息管理系统网站或“汽车以旧换新”小程序,提交报废更新补贴申请;通过登录懂车帝App“四川省汽车置换更新服务平台”,选择补贴受理地甘孜州申领通道,提交置换更新补贴申请。
(二)报废更新的旧乘用车《报废机动车回收证明》《机动车注销证明》取得时间,置换更新的旧乘用车《二手车销售统一发票》开票时间和最近一次转让登记时间,均应在2026年1月1日之后,并于2025年1月8日前登记在申请人名下。
报废更新、置换更新的新乘用车《机动车销售统一发票》应于2026年1月1日之后在甘孜州内开具;其《机动车登记证书》应于2026年1月1日之后在四川省内办理;在补贴申请审核期间,应登记在申请人名下。
(三)申请报废更新补贴、置换更新补贴的旧乘用车所有人和新乘用车所有人应为同一位个人消费者。
(四)每位个人消费者只能选择享受一次汽车报废更新补贴或一次汽车置换更新补贴。
五、其他事项
本公告未尽事宜,以国、省有关政策和后续我州印发的《甘孜州2026年汽车以旧换新补贴实施方案》为准。
甘孜州商务经济合作和外事局
2026年2月13日
12
2026-02甘孜州关于实施2026年家电以旧换新、数码和智能产品购新补贴政策公告
为全面落实国、省2026年家电以旧换新、数码和智能产品购新补贴政策,结合我州实际,切实激活消费需求、惠及全州消费者,现就相关补贴政策事项公告如下:
一、实施时间
2026年1月1日至2026年12月3日
二、补贴对象
个人消费者(含省内外籍人士、港澳台侨居民),产品收货地址须在四川省内,不得二次转运到省外。2025年已享受补贴的个人消费者,2026年购买同类产品可继续享受补贴。
三、补贴范围及标准
(一)1级能效/水效标准的冰箱、洗衣机、电视、空调、电脑、热水器六类家电,补贴扣除各环节优惠后最终销售价格的15%,单件补贴不超1500元。其中,洗衣机包含洗烘套装一体机;冰箱包括具有制冷功能的冰柜;热水器含电热水器、燃气热水器、空气能热水器、太阳能热水器、燃气壁挂炉;台式电脑含品牌主机或显示器,不含组装机。
(二)手机、平板、智能手表手环、智能眼镜补贴标准为扣除各环节优惠后最终销售价格的15%,销售价格不超过6000元(含),每位消费者每类产品可补贴1件,每件补贴不超过500元。其中,平板包括学习机,智能手表手环包括儿童手表。对于零售价超过6000元,但经营主体优惠后达到补贴标准的产品,可给予补贴,经营主体不得另外要求消费者拆分支付费用或强行绑定购买其他产品服务,否则视为套取补贴。
(三)参与补贴的家电、数码和智能产品须有商品条形码和S/N码。家电能效或水效标准参考中国能效标识网、中国水效标识网发布的产品能效、水效信息。
四、补贴方式
统一采用“补贴立减”模式,“云闪付”为领券服务平台,领券时间为每日9:00-23:00。资格券当日有效,领完即止,如未使用,次日可重新领取。资格券发放根据资金到位情况和使用进度均衡调控,实行总额控制、用完即止。
五、开票要求
2026年1月1日起购买并开具发票,以发票开具日期为准。每件产品单独开票,产品开票金额包含政府补贴金额,不包括各类经营主体优惠、辅材和安装费、优惠券金额和价保赔付金额,旧机抵扣金额可开具发票但不纳入补贴范围。发票开给个人消费者,票面要明确标注消费者姓名(与补贴领取人保持一致)、商品名称、型号规格、销售价格、补贴金额、能效或水效等级(1级能效)、S/N码等,数码产品不备注能效等级。各地不得要求备注个人手机号和身份证号,切实保障消费者隐私安全。
六、核验要求
所有补贴商品需采集上传S/N码信息。手机、平板、智能手表手环、智能眼镜现场开机,拍摄并上传外包装和商品同框照片一张,清晰可见S/N码及激活设备展示的IMEI码(没有IMEI码的展示S/N码即可)。电脑、冰箱、洗衣机、电视、空调、热水器拍摄机身或外包装带S/N码和能效水效等级照片各一张回传(图片格式均为JPG格式)。其中,笔记本电脑需开机点亮屏幕。具体核销数据指标以省平台数据接口为准。
七、参与经营主体
2026年首批参与经营主体以四川省商务厅官网发布的2026年预征选的家电以旧换新和数码产品购新补贴商家名单为准。后续增补商家,以甘孜州市商务合作外事局官网公示名单为准。
八、咨询电话
甘孜州商务合作外事局消费促进科:0836-2831197
本公告未尽事宜,按后续甘孜州商务合作外事局发布的《甘孜州2026年家电以旧换新、数码和智能产品购新补贴实
施方案》正式文件为准。
甘孜州商务经济合作和外事局
2026年2月12日
09
2026-02甘孜州商务经济合作和外事局 关于征选甘孜州消费品以旧换新承办企业名单公示
现将各县(市)2026年推荐参与甘孜州消费品以旧换新活动商户名单公示如下:
参与国省家电以旧换新、数码和智能产品购新活动商户共27家,其中:
康定市(2家):康定市旭辉商贸有限公司
甘孜州飞腾通讯有限公司
丹巴县(4家): 天鑫电器
丹巴县名伟办公用品店(个体工商户)
丹巴县升旺通讯
丹巴县辰运通讯店
九龙县(7家):腾达通信
九龙县龙涛通讯店(个体工商户)
九龙县晨贵通信移动厅
九龙县先科家电维修专卖店
海天电器
春芝小卖部
生策家电维修店
炉霍县(1家):炉霍县宜辰家电销售店(个体工商户)
巴塘县(2家):巴塘县顺航通信城
巴塘县天越商贸有限公司
石渠县(2家):真诚电器
石渠心机城加盟连锁店
稻城县(7家):稻城兵兵电器世界店
华东电器
稻城冠宇商贸
稻城璐海商贸有限公司
稻城华得来购物中心
稻城鑫亿通设备销售店
稻城陆海宽带服务店
乡城县(2家):乡城县如意通讯店
乡城县海义数码通讯设备店
参与甘孜州消费品以旧换新州内创性政策活动商户(2家):
色达县(2家):色达县虹达商贸
色达县乔荣家用电器经销门市
如对本次参与活动企业名单有异议,请于公示发布之日起3个工作日内以书面形式向本单位提出质疑,逾期不予受理。
联系地址:甘孜州康定市工商大厦六楼商务经济合作外事局
联系人:月丽娜
联系电话:18990479277
甘孜州商务经济合作和外事局
2026年2月9日
06
2026-02招商引资872.86亿元!商务合作外事工作交出圆满答卷

1月27日,2026年甘孜州商务合作外事暨党风廉政工作会议在康定召开。会议认真贯彻中央、省委、州委经济工作会议精神,围绕“乘势而上 追赶跨越”怎么看、怎么干,全面总结“十四五”及2025年工作,深入分析担当历史使命面临的机遇与挑战,系统部署“十五五”及2026年重点任务。

五年砥砺 商务合作外事工作交出圆满答卷
“十四五”时期,全州商务合作外事工作承压前行、砥砺奋进,社会消费品零售总额达153.13亿元,较“十三五”末增长34%;服务业增加值达335.15亿元,增长49%;外贸进出口总额达6.75亿元,增长250%;招商引资累计到位资金872.86亿元;网络交易额突破105亿元,带动就业超10.68万人;8场次“圣洁甘孜”境外推介会搭建国际桥梁,2256物流节点织密商贸流通网络。

2025收官 负重前行筑牢发展根基
2025年作为“十四五”收官年,工作亮点纷呈。招商引资到位资金183.6亿元,超额完成年度目标36%,三大优势产业引资占比超50%;外贸进出口总额1.35亿元,增速居全省第6位,稻城、巴塘实现外贸“零突破”。“飞夺泸定桥·渡河纪”获评省级消费新场景,填补州级空白,带动文旅消费增长20%以上。
推行“一线工作法”“一企一策”,通过3期政企沙龙、5次实地调研精准破题,解决企业难题95个,持续优化营商环境。首个省级公共海外仓落地,“交商邮供”模式升级,助力松茸等农特产品远销海外。

锚定新标 攻坚2026启新程
会议明确2026年核心目标:招商引资到位资金达到135亿元,社零总额增长4.5%,服务业增加值增长5.4%,外贸总额增长7%。以“消费提振攻坚年”为抓手,开展促消费活动288场次以上,培育省级消费新场景1-2个,新建8个圣洁甘孜农特产品专柜。
聚焦开放合作,开展68场次精准招商活动,主攻特色农牧、低空经济等领域,推动外贸县域全覆盖。以党建为引领,强化党风廉政建设,践行优良作风,将政策红利转化为发展实效,奋力谱写商务合作外事工作新篇章。
26
2026-01“政企酥油茶”以暖心服务助力企业高质量发展

近日,甘孜州商务合作外事局牵头开展的“进企业、问需求、解难题、促发展”及外资专题调研活动,以全州“政企酥油茶”沙龙活动为载体,架起了一座高效、畅通、温馨的政企沟通桥梁,切实为企业纾困解难,全力优化营商环境,助推全州经济平稳健康发展。
本次活动坚持问题导向与服务前移,通过“走出去”与“请进来”相结合的方式,形成服务企业闭环。全州经合系统组建专项工作组,深入实地走访重点企业,面对面了解企业生产经营中的实际困难,精准掌握企业需求。在此基础上,举办政企沙龙,邀请州内不同行业、不同规模的招商引资企业代表与州、县经合部门负责人共聚一堂。在轻松融洽的氛围中,企业家们畅所欲言,直抒发展面临的痛点、堵点;相关部门负责人现场回应,解读政策,对能解决的问题当场协调,对复杂问题建立台账、限时督办。

自活动开展以来,已累计走访服务企业30余家,收集涵盖融资信贷、要素保障、人才引进、市场拓展等方面的诉求与建议20余条。通过建立“清单制+责任制+销号制”的问题化解机制,截至目前,已推动解决各类急难愁盼问题5个,其余问题均明确了责任单位和解决路径,将持续跟踪落实。

“政企酥油茶”沙龙活动不仅是一个解决问题的平台,更成为了政策宣讲、信息互通、凝聚发展共识的纽带。甘孜州商务合作外事局相关负责人表示,将持续深化“进企业”活动,不断完善“政企酥油茶”常态化沟通机制。下一步,将更加聚焦招商企业全生命周期服务,推动从解决单个问题向优化产业生态延伸,以更优服务激发市场主体活力,为奋力谱写甘孜高质量发展新篇章注入强劲动能。
28
2025-11深化经贸合作 赋能特色产业 ——甘孜州组团参加第八届中国国际进口博览会
2025年11月5日至10日,第八届中国国际进口博览会在上海国家会展中心举办。我州紧扣“稳外贸、促开放”工作思路,依托进博会“买全球、卖全球”平台作用,组织15家州内重点外贸企业组团参展,通过考察特色展馆、对接优质资源、深化人文交流等系列活动,精准引进符合本地市场需求的优质资源,加快拓展高原特色产业国际合作空间。
进博会期间,甘孜交易分团围绕高原优质特色产业升级及消费市场需求,有效对接南亚、东南亚等地优质供给资源,重点走访了不丹馆、越南馆等特色展区,围绕蜂蜜、姜黄粉、唐卡、手工纺织品、手工线香、热带水果、特色香料等消费品进口,以及农产品深加工设备采购等与参展商开展深入洽谈,分别与5家供应商达成750万元采购意向,为有效丰富消费市场供给,助力本地农产品加工产业升级提供支撑。
为持续深化与尼泊尔交流合作,甘孜交易分团还专程拜访了尼泊尔驻上海名誉领事馆,与相关负责人就拓展合作领域、畅通贸易渠道、深化人文合作等方面开展深入交流,聚焦甘孜州“尼泊尔商贸街”运营升级、高原特色产品出口、跨境文旅线路打造等达成进一步合作意向。一是建立常态化经贸对接机制,支持尼泊尔特色手工艺品通过甘孜集散辐射西南地区。二是探索“甘孜特产+尼泊尔市场”合作模式,推动州内牦牛肉制品、青稞深加工产品等特色商品走向南亚市场。三是联合举办跨境美食推广活动,整合甘孜高原风味与尼泊尔特色美食资源,搭建双向品鉴展销平台,以美食为纽带增进民间交流与消费联动。
今年1-9月,全州实现外贸进口总额640余万元,主要进口国包括越南、老挝、尼泊尔、不丹、印度等地,进口增速居全省第一。下一步,我州持续优化外贸服务体系,加快推动进博会意向合作落地见效,切实推动甘孜州开放型经济高质量发展。
18
2025-11甘孜州举办外贸业务培训助力企业扬帆出海
为全面贯彻落实甘孜州对外开放大会精神要求,切实提升外贸企业拓展国际市场和抗风险能力,11月10日,我州聚焦国际贸易环境、贸易形势及贸易业态变化需求,举办2025年全州外贸主体业务培训及座谈会,甘孜州商务合作外事局分管负责人主持会议,32家外贸企业、中国信保四川分公司相关负责人参加培训。
此次培训采取“业务培训+交流座谈+政策宣讲”方式开展。会议邀请了国际经济与贸易专家就跨境电商政策与趋势解读、甘孜州发展跨境电商路径探索、协同推动甘孜州外贸新业态发展策略建议等方面进行授课讲解,各参会企业围绕今年外贸业务开展情况及企业经营痛点难点等问题进行了交流座谈,中国信保四川分公司围绕运用信保工具为企业“出海”保驾护航,详细宣讲了出口信用保险政策及汇率风险规避方案建议等。

会议从我州外贸现状、突出问题、下步举措等方面深入分析了外贸形势,深刻剖析了问题原因,提出了办法举措。今年1-10月,全州外贸进出口总额0.95亿元,同比增长14.6%,增速排全省第5位。下一步,将从强化外贸主体培育、强化国际市场拓展、强化营销体系建设、强化营商环境优化四个方面发力,持续打造外贸服务生态圈,有效助力更多甘孜企业扬帆出海。
17
2025-11意大利葡萄酒酿酒技术甘孜专场 交流活动成功举办

为深入贯彻落实州委、州政府关于酿酒葡萄产业高质量发展的决策部署,务实推进我州出访意大利成果转化落地,11月13日至17日,由州商务合作外事局(州委外办)、得荣县人民政府联合主办,州经济信息化局、州农牧农村局协办的意大利葡萄酒酿酒技术甘孜专场交流会在得荣县圆满举办。活动特邀2名意大利资深酿酒专家、8家州内葡萄酒生产企业及2名高校酿酒专业教授参加。

为保障活动顺利举办,州商务合作外事局(州委外办)持续加强与意大利皮埃蒙特大区阿斯蒂省政府的沟通对接,通过线上交流、线下会见等方式,成功促成此次交流会。活动期间,意方专家团队先后前往得荣县太阳魂农副产品加工有限公司、日雨镇因都坝葡萄种植基地及神川红酒庄,从葡萄种植到葡萄酒酿造全链条,实地调研甘孜州葡萄酒产业链发展现状。

在日雨镇因都坝葡萄园,专家们俯身查看葡萄藤长势,与种植户深入交流种植密度、水肥管理及病虫害防治等关键细节;在太阳魂、神川红等酒庄生产车间,专家们仔细了解发酵罐、储酒桶运行状况,围绕发酵温度控制、陈酿周期等核心技术环节,与本地酿酒师开展现场交流。经深入调研,意方专家马尔科・奥利韦塔评价道:“得荣拥有得天独厚的地理优势,为葡萄种植提供了绝佳条件。”

酿酒技术研讨会上,中意双方专家、企业聚焦“酿造工艺的精准调控与创新”主题展开深度对话。意方专家阿尔贝托・阿尔恰蒂分享了意大利皮埃蒙特产区在山地葡萄园管理方面的宝贵经验,与得荣本地政企代表进行热烈且富有建设性的探讨,为甘孜州葡萄种植技术升级提供国际视角。品鉴环节中,8款分别来自州内与意大利的葡萄酒依次呈现,嘉宾们在品鉴中交流风味感受,探讨工艺差异与文化共鸣,现场互动氛围热烈。与会州内酿酒师纷纷表示,此次活动极大开阔了技术视野与发展思路,让他们对未来工艺提升方向有了更清晰的规划。
下一步,我州将以此次交流会为契机,持续深化葡萄酒产业国际交流合作,积极吸收借鉴意大利先进技术与品牌运营经验,进一步整合全州风土资源与产业力量,推动葡萄酒产业向种植标准化、酿造精细化、品牌特色化方向迈进,助力甘孜高原“杯中佳酿”走出四川、迈向更广阔的国内外市场。
21
2025-08四川省商务领域行政处罚裁量权基准
川商规〔2025〕2号
各市(州)商务主管部门:
为严格规范裁量权行使,加快推进全省商务行政执法监管精准高效,根据相关法律、法规和规章规定,我厅制定了《四川省商务领域行政处罚裁量权基准》(以下简称“处罚裁量权基准”),现印发你们,请认真贯彻执行。
各市(州)商务主管部门可以依照法律、法规、规章以及我厅印发的《行政处罚裁量权基准》和相关工作要求,完善本行政区域内的行政处罚裁量权基准。区(县)级商务主管部门可以对省、市(州)商务主管部门制定的行政处罚裁量权基准适用的标准、条件、种类、幅度、方式、时限予以合理细化。各地在《行政处罚裁量权基准》实施中遇到的有关问题,请及时向我厅反馈。我厅将根据工作实际,适时对《行政处罚裁量权基准》开展动态调整。
《行政处罚裁量权基准》有效期五年,自2025年9月1日起实施。
附件:四川省商务领域行政处罚裁量权基准
四川省商务厅
2025年7月30日
附件
四川省商务领域行政处罚裁量权基准
第一条 为规范全省商务领域行政执法行为,依法正确行使行政处罚裁量权,避免行政处罚的随意性,切实保障行政相对人合法权益,健全商务领域行政执法内部制约监督机制,根据《中华人民共和国行政处罚法》《四川省行政裁量权基准管理规定》和有关法律、法规及规章,结合本省实际,制定本基准。
第二条 本基准所称裁量权,是指在实施商务领域行政处罚时,根据法律、法规、规章的规定,综合考虑违法行为的事实、性质、情节、社会危害程度以及当事人主观过错等因素,决定是否给予行政处罚、给予行政处罚的种类和幅度的权限。
本基准所称裁量权基准,是指商务行政主管部门结合管理实际,按照裁量涉及的不同事实和情节,对公民、法人和其他组织违反商务行政领域行政管理秩序的行为,据以确定是否给予处罚、具体的处罚类别及其具体适用情形的细化、量化标准。
本基准适用于四川省商务领域行政处罚。
第三条 当事人有下列情形之一的,应当依法不予行政处罚:
(一)未满十四周岁的未成年人实施违法行为的;
(二)精神病人、智力残疾人在不能辨认或者不能控制自己行为时实施违法行为的;
(三)违法行为轻微并及时纠正,未造成危害后果的;
(四)违法事实不清、证据不足的;
(五)违法行为在二年内未被发现的,但涉及公民生命健康安全、金融安全且有危害后果的,上述期限延长至五年;法律另有规定的除外;
(六)除法律、行政法规另有规定外,当事人有证据足以证明没有主观过错的;
(七)依法不予行政处罚的其他情形。
第四条 初次违法且危害后果轻微并及时改正的,可以不予行政处罚。
第五条 当事人有下列情形之一的,应当从轻或者减轻行政处罚:
(一)已满十四周岁不满十八周岁的未成年人实施违法行为的;
(二)主动消除或减轻违法行为危害后果的;
(三)受他人胁迫或者诱骗实施违法行为的;
(四)主动供述行政机关尚未掌握的违法行为的;
(五)配合行政机关查处违法行为有立功表现的;
(六)法律、法规、规章规定的其他依法应当从轻或减轻处罚的。
第六条 尚未完全丧失辨认或者控制自己行为能力的精神病人、智力残疾人实施违法行为的,可以从轻或者减轻行政处罚。
第七条 当事人有下列情形之一的,应当依法从重行政处罚:
(一)危害国家安全、公共安全的;
(二)违法行为造成他人人身伤亡或者重大财产损失等严重危害后果;
(三)阻碍或者拒不配合行政执法人员依法执行职务或者对行政执法人员打击报复;
(四)在对违法行为进行调查取证的过程中,故意隐瞒事实、弄虚作假或者转移、隐匿、毁坏或伪造证据,阻碍调查;
(五)在共同违法行为中起主要作用或者胁迫、诱骗、教唆他人实施违法行为的;
(六)经责令停止、纠正违法行为后,仍继续实施违法行为的;
(七)发生重大传染病疫情等突发事件,违反突发事件应对措施的;
(八)依法应从重处罚的其他行为。
第八条 对当事人不予处罚、减轻处罚、从轻处罚、从重处罚的,商务行政主管部门必须收集和提供相应的证据材料。
第九条 当事人应予处罚的违法行为没有从轻、减轻、从重情节的,应当对其予以一般处罚。
第十条 给予减轻处罚的,罚款在法定处罚幅度以下作出处罚。包括在应当并处时不并处,或者在法定最低罚款限值以下确定罚款数额。若有数个法定幅度的,在对应法定幅度以下作出裁量决定。
第十一条 对既具有减轻、从轻或者一般情形又具有从重情形的,应综合衡量违法行为的事实、性质、情节以及社会危害程度等因素,实施行政处罚。
第十二条 商务行政主管部门行使行政处罚裁量权,不得有下列情形:
(一)违法行为的事实、性质、情节以及社会危害程度与受到的行政处罚相比,畸轻或者畸重的;
(二)在同一时期同类案件中,不同当事人的违法行为相同或者相近,所受行政处罚差别较大的;
(三)对依法应当受到不予行政处罚或者应当受到从轻、减轻行政处罚的当事人,给予行政处罚或未从轻、减轻行政处罚的;
(四)其他滥用行政处罚裁量权情形的。
第十三条 商务行政主管部门在作出行政处罚决定之前,应当告知行政相对人拟作出的行政处罚决定的内容及事实、理由、依据,特别是对适用的处罚种类和幅度的理由予以重点说明,并告知当事人依法享有的权利。符合举行听证条件且当事人要求听证的,应当在做出行政处罚决定之前依法组织听证。
第十四条 对当事人做出行政处罚决定时,应当增强说理性,在决定书中说明处罚的事实根据、法律依据、裁量基准适用情况以及对当事人的陈述、申辩是否采纳等内容。
根据《四川省行政裁量权基准管理规定》第十二条规定需调整适用裁量基准的,应当在行政处罚决定书中说明理由。
第十五条 商务行政主管部门应当谨慎行使裁量权,定期组织对本部门行政处罚案件进行复查,发现裁量权行使不当的,主动纠正。
第十六条 商务行政执法人员滥用行政处罚裁量权的,依法追究其行政责任。涉嫌违纪、犯罪的,移交纪检监察机关、司法机关依法依规处理。
第十七条 商务行政主管部门应当通过行政执法情况检查、执法案卷评查、依法行政考核、行政执法评议考核等方式,对裁量权基准制度的执行情况进行监督检查。
第十八条 随本基准同时印发《四川省商务领域行政处罚裁量权基准清单》(以下简称《裁量权基准清单》)。商务行政主管部门在实施行政处罚时,应适用《裁量权基准清单》。
行使《裁量权基准清单》未列明的其他商务领域行政处罚裁量权,参照本基准执行。
无裁量空间的处罚事项不纳入《裁量权基准清单》。
第十九条 本基准实施后,所依据的法律、法规、规章修改的,按新规定执行。
第二十条 四川省商务厅就本基准建立动态调整机制,定期对本基准实施情况开展评估,适时修订。
本基准及《裁量权基准清单》由四川省商务厅负责解释。
第二十一条 本基准自2025年9月1日起施行,有效期五年。本基准与《关于印发四川省商务领域不予处罚、免予处罚、减轻处罚、从轻处罚、从重处罚事项清单等五张清单的通知》不一致的,以本基准为准。
23
2025-05甘孜州商务和经济合作局 关于开展《甘孜州重点产业链招商引资工作 机制(送审稿)》合法性审查意见的函
州司法局:
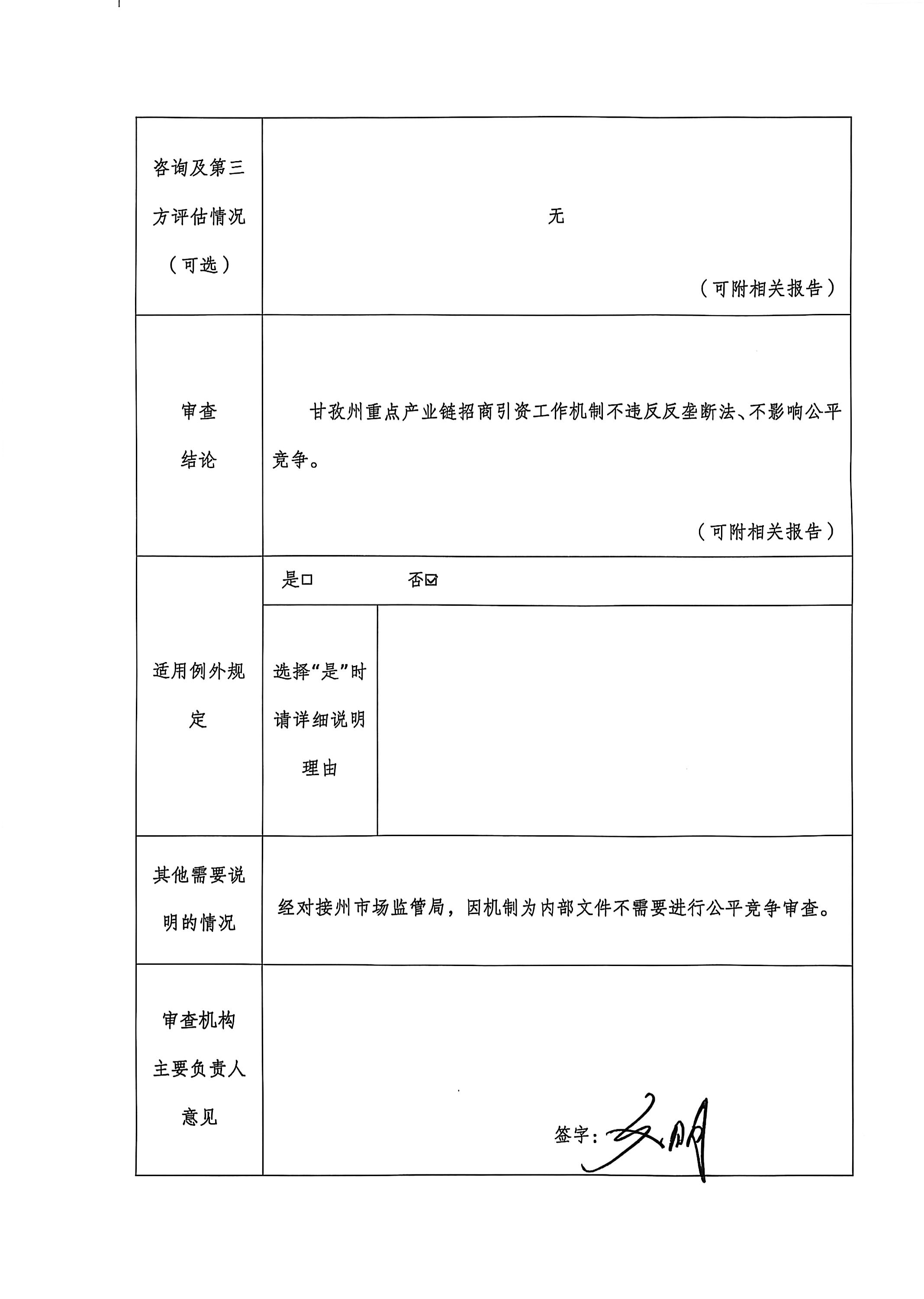
按照《甘孜州人民政府办公室关于推动重点产业链建圈强链相关工作的通知》(甘办函〔2025〕8号)要求,为进一步贯彻落实省政府推进重点产业链建圈强链决策部署,充分发挥招商引资引擎作用,通过招引关联度强、耦合性高的产业链企业,提升产业链招商的精准度和实效性,促进产业加快集聚壮大,带动全州经济社会高质量发展,结合实际制定了《甘孜州重点产业链招商引资工作机制(征求意见稿)》,于2025年4月7日书面征求了各县(市)人民政府、州发展改革委、州财政局、州人力资源社会保障局、州自然资源规划局等相关部门的意见,并进行了修改完善。2025年5月7日政策法规科和法律顾问四川首康律师事务所蒯庆华、王克伟律师对《机制》进行了合法性审查。现将相关资料报请贵局进行合法性审查,请提出审查意见。
附件:1.《甘孜州重点产业链招商引资工作机制(送审稿)》
2.起草说明
3.征求意见汇总表
4.会议纪要
5.四川首康律师事务所的法律意见书
6.《公平竞争审查表(初审)》
7.挂网公示
8.相关部门修改意见回复函
甘孜州商务和经济合作局
2025年5月12日
附件1
甘孜州重点产业链招商引资工作机制
(送审稿)
按照《甘孜州人民政府办公室关于推动重点产业链建圈强链相关工作的通知》(甘办函〔2025〕8号)要求,为进一步贯彻落实省政府推进重点产业链建圈强链决策部署,充分发挥招商引资引擎作用,通过招引关联度强、耦合性高的产业链企业,提升产业链招商的精准度和实效性,促进产业加快集聚壮大,带动全州经济社会高质量发展,结合实际制定本机制。
一、推行产业链招商专班
(一)建立产业链招商专班
遵循“管产业管行业必须管招商”的原则,构建“产业链长挂帅、产业部门主抓、招商部门统筹、落地县(市)主责、要素部门服务”的“链长招商”新机制。聚焦“清洁能源、文化旅游、现代农牧”三篇文章和低空经济、新能源、动力电池等产业,建立“6+1”即重点产业链招商引资专班和要素保障专班,具体负责统筹全产业链招商引资和协调项目落地工作。推动甘孜州产业链向高端化、集群化、绿色化升级,形成“招引一个、带动一片”的倍增效应,助力建设现代化新甘孜。
(二)明确职能职责
(1)产业链长挂帅。各产业链长负责协调解决产业发展共性问题和重大项目个性疑难问题;各产业链长定期召开调度会议,听取重点产业链招商推进情况,研究事关全州产业链招商重大事项,协调解决工作中遇到的困难问题,加强对全州产业链招商工作的指导,统筹有关部门分工负责、密切协同,推动问题在链上解决。
(2)产业部门主抓。科学制定所涉产业链“一图”“三单”全景图谱(一图:产业链图谱;三单:目标招引企业清单、重点招引项目清单、政策清单),并适时动态更新产业图谱,滚动推荐优质招商项目。负责落实项目推进相关措施,促成履约、开工、达产。制定、梳理惠企政策措施,推动投资企业享受相应的产业激励等政策快速落实。
(3)招商部门统筹。州商务合作局充分发挥统筹、协调、督促、服务职能,强化对招商引资的牵头抓总作用,会同产业链牵头部门,与“链主”企业建立常态化沟通交流机制,紧盯建链补链强链环节,共同做好产业招商资源梳理、招商线索搜集、项目对接洽谈、定向招引活动等工作。定期收集“五张清单”(即在谈项目清单、签约项目清单、到位资金清单、督办项目清单、需协调解决问题和事项清单),对各产业链招商项目进行月调度、季通报、年评估,推动产业链招商实效。
(4)落地县(市)主责。重点围绕三篇文章和新兴产业,聚焦产业链短板弱项和核心关键环节,立足本地产业资源优势,加强项目包装谋划,有条件的县(市)可采取聘请行业专家、招商智库等“外脑”指导项目谋划,全面提升产业研究和项目生成的能力水平。负责重大项目代办等落地服务、强化项目的跟踪协调,定期反馈“五张清单”相关内容。
(5)要素部门服务。推动政务窗口开通投资企业“绿色通道”,主动提供“提前指导、全程代办、专员对接、限时办结”的“一站式”服务,推动高质量服务覆盖项目全生命周期。建立生态红线等预审机制,禁止高污染、高耗能项目准入。精准配置土地等资源,优先保障重大项目用地。
二、明确工作重点
(一)完善产业链配套。聚焦“清洁能源、文化旅游、现代农牧”三篇文章和低空经济、新能源、动力电池等产业,着眼增强产业根植性,聚焦重点产业建圈强链,在引育龙头链主、完善关键配套、推动科技创新、配置要素资源、打造应用场景、优化政务服务等各领域统筹发展,促进外来企业与本地的产业互动、创新互动、人才互动、生活互动,打造优势产业集群,构建上中下游产业高效协同的产业生态。
(二)打造平台强招引。坚持“节会搭台、经贸唱戏”,依托西博会、知名企业四川行、川商返乡大会及山地旅游节等平台,确定产业、选定企业、锚定项目,高质量举办相关产业链专题对接活动。会前精准梳理谋划,会中高效洽谈对接,会后强化跟踪落实,聚力招引一批知名企业。组织举办产业链“点对点”小分队招商,主动赴重点区域开展登门式招商。
(三)突破重点项目促落地。围绕“有效投资、有根产业、有持续税源”项目,兼顾经济效益、社会效益和生态效益,包装策划一批建链补链强链项目。积极盘活闲置资源,将“闲置资产”打造成“招商资源”。加大对已入驻企业二次招商,对效益良好,成长迅速的企业,鼓励加大再投资力度,形成新的经济增长点。在加强增量项目招引的同时,高度重视存量项目服务工作,帮助企业纾困解难、推动项目建设提速增效。实施重大项目全生命周期管理,“清单制+责任制”推动项目投产达效。
三、优化营商环境
(一)优化提升政务服务质量。全面实施市场准入负面清单制度,清理规范负面清单之外违规设立的市场准入许可、准入环节违规设置的隐形门槛、清单之外违规制定的其他形式的负面清单,确保“非禁即入”普遍落实。落实好外商投资准入前国民待遇加负面清单管理制度,对负面清单之外领域按照“内外资一致”原则实施管理。积极完善权责清单,推进权责清单标准化和规范化建设。务实开展“进企业、解难题、送服务、促发展”活动,大力宣传省州系列惠企政策举措,了解政策举措落实情况,帮助企业吃透政策,用好用足扶持政策,对企业及项目单位提出的各类问题进行协调解决。
(二)营造公平竞争市场环境。建立健全“政府承诺+社会监督+失信问责”机制,认真履行在招商引资、政府与社会资本合作等活动中与投资主体依法签订的各类合同,防止“新官不理旧账”。聚焦政策不落实、承诺不兑现、难题不解决、服务不到位等方面的问题,通过走访企业、征集意见、公开受理问题线索等开展监督整改工作,进一步畅通投资投诉渠道。严格规范文明执法行为,加大对破坏发展环境的查处力度,对扰乱市场秩序、破坏企业公平竞争问题进行全面整治,用法治力量为企业发展、项目落地提供保障。
甘孜州重点产业链招商引资专班名单
按照《甘孜州人民政府办公室关于推动重点产业链建圈强链相关工作的通知》(甘办函〔2025〕8号)要求,结合工作实际,建立甘孜州重点产业链招商引资专班。
一、工作职责
在充分分析研究资源禀赋、产业现状、区域条件、产业前景、实现路径的基础上,按照“上游招下游、下游引上游、补齐产业链”的思路,结合国家、省、州相关规划和重大战略,州县联动策划、推动一批符合高质量发展要求、产业关联性强、带动力大的产业链招商引资项目。
二、组成人员
(一)低空经济招商专班
链长:州政府分管发改的副州长
产业负责人:州发展改革委主任
成员:州商务合作局局长
各县(市)人民政府分管负责人
职能职责:牵头低空经济产业链招商工作。
(二)新能源产业招商专班
链长:州政府分管发改的副州长
产业负责人:州发展改革委主任
成员:州商务合作局局长
各县(市)人民政府分管负责人
职能职责:牵头新能源(不含氢能)产业链招商工作。
(三)氢能招商专班
链长:州政府分管经信的副州长
产业负责人:州经济信息化局局长
成员:州商务合作局局长
各县(市)人民政府分管负责人
职能职责:牵头氢能产业链招商工作。
(四)动力电池招商专班
链长:州政府分管经信的副州长
产业负责人:州经济信息化局局长
成员:州商务合作局局长
各县(市)人民政府分管负责人
职能职责:牵头动力电池产业链招商工作。
(五)文旅产业招商专班
链长:州政府分管文旅的副州长
产业负责人:州文化广电旅游局局长
成员:州商务合作局局长
各县(市)人民政府分管负责人
职能职责:牵头文化旅游产业链招商工作。
(六)牦牛全产业招商专班
链长:州政府分管农牧的副州长
产业负责人:州农牧农村局局长
成员:州经济信息化局局长
州林草局局长
州商务合作局局长
各县(市)人民政府分管负责人
职能职责:牵头牦牛全产业招商工作。
(七)要素保障专班
牵头领导:州政府分管商务的副州长
负责人:州商务合作局局长
成员:
州委军民融合办主任
州财政局局长
州人力资源社会保障局局长
州自然资源规划局局长
州生态环境局局长
州林草局局长
州市场监管局局长
州行政审批局局长
州税务局局长
农发行甘孜州分行行长
农行甘孜州分行行长
建行甘孜州分行行长
工行甘孜分行行长
邮储银行甘孜州分行行长
甘孜农商银行行长
乐山商行甘孜分行行长
职能职责:坚持要素跟着项目走,实行项目洽谈与要素准备同步、项目落地与要素到位同步的“两同步”机制,按照“一企一方案”制定项目推进具体措施,相关职能部门要主动靠前服务,帮助投资主体完善规划、土地、环评等各项手续,及时解决项目落地过程中的瓶颈制约,对产业链招商项目进行全方位要素保障。协调州内金融机构积极支持招商引资重点企业(项目),优先满足招商引资企业融资需求。
附件2
《甘孜州重点产业链招商引资工作机制
(送审稿)》起草说明
按照工作要求,现将《甘孜州重点产业链招商引资工作机制(送审稿)》(以下简称《机制》)起草情况简要汇报如下。
一、起草背景
为积极适应全国招商引资新形势,进一步贯彻落实省政府推进重点产业链建圈强链决策部署,充分发挥招商引资引擎作用,提升产业链招商的精准度和实效性,促进产业加快集聚壮大,按州政府领导批示要求,我局借鉴成都、泸州、绵阳、达州等地产业链招商工作机制,牵头起草了《机制》。
二、主要内容
《机制》共3个部分,明确了组织机构、工作重点、保障措施等事宜。
(一)组织机构。遵循“管产业管行业必须管招商”的原则,构建“产业链长挂帅、产业部门主抓、招商部门统筹、落地县(市)主责、要素部门服务”的“链长招商”新机制。
(二)工作重点。一是完善产业链配套。二是打造平台招引。三是突破重点项目。
(三)保障措施。一是提升政务服务质量。二是营造公平市场环境。
三、征求意见情况
甘孜州重点产业链招商引资工作机制(征求意见稿)已于4月7日书面征求了各县(市)人民政府、州发展改革委、州财政局、州人力资源社会保障局、州自然资源规划局等相关部门的意见和建议,并挂我局门户征求意见。各县(市)均无意见建议,州发展改革委、州经济和信息化局等5部门提出了修改建议,已进行逐项梳理和完善。
附件3
甘孜州重点产业链招商引资工作机制征求意见情况汇总表
序号 | 征求部门 | 建议意见 | 采纳情况 | 备注 |
1 | 州发展改革委 | 一、“甘孜州重点产业链招商引资专班名单”,第二大点“组成人员”中,第一小点“低空经济、清洁能源产业招商专班”,建议修改为“低空经济、新能源产业招商专班”;成员单位建议增加州经济信息化局。二、“甘孜州重点产业链招商引资专班名单”,第二大点“组成人员”中,第五小点“要素保障专班”建议增加州委军民融合办。 | 已采纳 | |
2 | 州文化广电旅游局 | 无意见 | 已采纳 | |
3 | 州经济信息化局 | 1.招商专班名称建议用我州纳入全省主要承载地、协同发展地和鼓励支持发展的重点产业链。主要承载地:文化旅游 ,协同发展地:低空经济、新能源(光伏、风电)、氢能、新能源汽车及电力电池(含储能),鼓励支持重点发展优势产业链:牦牛全产业。2.“明确职能职责”第五小点“要素部门服务”中,建议增加精准配置土地资源,优先保障重大项目用地。3.第二大点“明确工作重点”第一小点“完善产业链配套”中,建议从培育招引链主链属企业、构建上中下游产业高效协同的产业生态等方面阐述产业链配套相关措施。4.第二大点“明确工作重点”第三小点“突破重点项目促落地”中,建议按小标题阐述推动项目落地的措施,如:实施重大项目全生命周期管理,“清单制+责任制”推动投产达效等。 | 已采纳 | |
4 | 州人力资源社会保障局 | 无意见 | ||
5 | 州自然资源规划局 | 无意见 | ||
6 | 州生态环境局 | 无意见 | 已采纳 | |
7 | 州农牧农村局 | 一是建议在附件甘孜州重点产业链招商引资专班名单“(三)农牧产业招商专班”,成员名单中增加州林草局局长、州经济信息化局局长。二是建议“(五)要素保障专班”,成员名单中删除州农牧农村局局长。 | 已采纳 | |
8 | 州林草局 | 一是建议下一步对符合条件的低空经济产业项目纳入各级规划时,进一步核实与自然保护地位置关系,并完善图文内容,规划项目应避让自然保护地核心保护区,一般控制区内的规划项目还应符合自然保护地分区管控要求。二是建议规划项目尽量避让基本草原,确需占用的建议纳入国、省重点项目。 | 已采纳 | |
9 | 州市场监管局 | 无意见 | ||
10 | 州行政审批局 | 已采纳 | ||
11 | 州税务局 | 无意见 | ||
12 | 农行甘孜州分行 | 建议定期召开甘孜州重点产业链招商引资专班联系会,高效推动甘孜州产业链,助力建设现代化新甘孜。 | 已采纳 | |
13 | 建行甘孜州分行 | 无意见 | ||
14 | 工行甘孜分行 | 无意见 | ||
15 | 邮储银行甘孜州分行 | 无意见 | ||
16 | 甘孜农商银行 | 无意见 | ||
17 | 乐山商行甘孜分行 | 无意见 | ||
18 | 康定市人民政府 | 无意见 | ||
19 | 泸定县人民政府 | 无意见 | ||
20 | 丹巴县人民政府 | 无意见 | ||
21 | 九龙县人民政府 | 无意见 | ||
22 | 雅江县人民政府 | 无意见 | ||
23 | 道孚县人民政府 | 无意见 | ||
24 | 炉霍县人民政府 | 无意见 | ||
25 | 甘孜县人民政府 | 无意见 | ||
26 | 新龙县人民政府 | 无意见 | ||
27 | 德格县人民政府 | 无意见 | ||
28 | 白玉县人民政府 | 无意见 | ||
29 | 石渠县人民政府 | 无意见 | ||
30 | 色达县人民政府 | 无意见 | ||
31 | 理塘县人民政府 | 无意见 | ||
32 | 巴塘县人民政府 | 无意见 | ||
33 | 乡城县人民政府 | 无意见 | ||
34 | 稻城县人民政府 | 无意见 | ||
35 | 得荣县人民政府 | 无意见 |
附件4
会议纪要
时间:2025年5月7日
地点:州商务合作局601室
主持人:州商务合作局副局长尼玛
参加人员:政策法规科科长陈春旭、投资合作科科长林央巧、项目促进科科长扎西娜姆、投资合作科工作人员德吉拉姆、法律顾问四川首康律师事务所王克伟律师
会议内容:
一、投资合作科对《甘孜州重点产业链招商引资工作机制(征求意见稿)》起草背景、征求意见情况等进行详细汇报;
二、法律顾问对《甘孜州重点产业链招商引资工作机制(征求意见稿)》合法性进行审查,并在会后出具书面意见;
三、参加人员对《《甘孜州重点产业链招商引资工作机制(征求意见稿)》条款进行逐条讨论。
经过集中讨论,会议一致通过《甘孜州重点产业链招商引资工作机制(征求意见稿)》。
附件5

附件6


附件7

12
2025-03甘孜州商务和经济合作局 关于2024年法治政府建设年度报告
州委、州人民政府:
2024年是贯彻落实《甘孜藏族自治州法治政府建设实施方案(2021-2025年)》的攻坚之年,甘孜州商务合作局法治政府建设工作在州委、州政府的领导下,在州司法局和上级部门的业务指导下,以习近平新时代中国特色社会主义思想和习近平法治思想为指导,积极落实甘孜州法治政府建设实施,以依法行政工作为抓手,在全州商务合作系统着力推动依法全面履行职能,加快推进商务合作系统法治政府建设工作进程,努力提升干部职工依法行政能力和水平。现将我局2024年法治政府建设工作情况总结如下:
一、2024年法治政府建设主要举措和成效
(一) 持续强化领导干部法治理念。坚持以习近平新时代中国特色社会主义思想和习近平法治思想为指导,严格落实会前学法和重大决策前专题学法制度,系统学习宪法、民法典、行政处罚法、行政复议法等法律法规。把学习习近平法治思想纳入党员干部教育培训的重要内容,引领党员干部深入学习,推动习近平法治思想研究阐释持续深化,不断增强学习贯彻习近平法治思想的自觉性和坚定性。全年累计开展中心组集中学习5次,专题学习研讨3次;研究法治政府建设2次。主要负责人履行推进法治政府建设第一责任人职责情况。局党组书记、局长作为我局法治建设第一责任人,定期听取法治工作汇报,将法治建设列入工作规划和年度工作计划,把本局各项工作全面纳入法治化轨道。局主要负责同志带头尊法学法守法用法,亲自部署局党组会会前学法工作,对每次学法均予以点评,同相关工作一并安排部署。严格执行重大行政决策程序,亲自安排部署重大合同审核工作。落实行政执法“三项制度”,健全“双随机、一公开”监管机制和商务诚信建设,切实规范行政行为。按规定向州委、州政府、省商务厅和省经合局报告上一年度法治建设情况。
(二) 优化高质量发展法治营商环境。一是落实法律顾问制度。建立健全法律顾问制度,2024年与首康律师事务所签订了法律顾问合同,加强对商务合作领域重要文件、文稿、协议(合同)等文本的法治审查,避免文稿中出现与上位文件、法律法规相抵触、相违背的违法违规情形。2023年法律顾问协助审查协议(合同)30余份,提出审查意见60余条,给予解答法律问题25次。二是按照重大行政决策合法性审查、行政规范性文件合法性审核的工作要求,对全年印发的各类行政文件进行梳理,未发现违法问题。同时我局按照州司法局工作要求对现存地方政府规章或行政规范性文件进行了认真清理。
(三)完善落实重大行政决策制度。按照《四川省法治政府建设实施方案(2021-2025)年》《甘孜藏族自治州法治政府建设实施方案(2021-2025)年》和《甘孜州人民政府2023年度法治政府建设重点工作安排》,甘孜州商务合作系统立足法治政府建设工作实际,进一步完善领导班子重大问题集体讨论决定制度,健全完善相关会议制度。工作中,州商务合作局领导班子在研究制定重大行政决策的过程中,积极推行工作领导责任制,重大事项决策前落实公众参与、风险评估、合法性审查和集体讨论决定制度,行政许可公示制度等,用制度规范行政执法行为,实行依法决策,民主决策。坚持民主集中制,按照“集体领导、民主集中、个别酝酿、会议决定”的原则,对重大决策、重大事项安排、重大问题实行民主科学决策,对干部任用、项目安排、大额资金使用、重大行政审批和行政处罚等重要事项均在调查研究的基础上经领导班子集体讨论后决策,决策后按分工抓好落实。
(四)扎实推进行政执法规范化建设。一是建立健全行政执法岗位责任制,将行政处罚分解到各科室,进一步明确科室的执法职能和执法岗位的具体执法责任。二是加强执法队伍建设。加强执法人员资格管理,确保执法人员持证执法。三是加大执法检查力度。定期安排执法人员开展商务执法检查,排查问题,限期整改,切实把问题解决在萌芽中。四是在执法过程中按照法律法规规范开展执法行为,切实维护商务领域执法行为的规范性和严肃性。五是严格落实行政执法“三项制度”,在局门户网站建立执法公示专栏,并对执法信息进行公示;执行《四川省商务厅行政执法证管理办法》,全面落实行政执法人员持证上岗和资格管理制度。六是推进“双随机、一公开”监管。制定公布年度“双随机”抽查计划,开展“一单两库”建立工作;组织单用途商业预付卡、外商投资检查、报废汽车、再生资源回收等领域“双随机、一公开”执法检查8次。
(五)持续提升政务公开质效。一是结合商务合作局职能职责,将政务信息工作任务细化到各科室,责任落实到个人,确保了工作有序推进。二是主动将政策法规、办事流程、工作动态、通知公告等内容及时向社会公开,自觉接受群众监督。三是认真办理了人大代表建议、政协委员提案,接受社会监督。完成人大代表建议、政协委员提案全部答复,并按规定公开办理结果。
(六)加力提升政务服务水平。一是全面落实权责清单,积极完善权责清单,推进权责清单标准化和规范化建设,严格按照现行法律法规和规章制度梳理权责清单,做到了行政职权的行使主体、事项、依据、流程、岗位和职责明确,抓好商务行政审批工作,州商务局整合政策法规(行政审批)科,整体进驻政务服务大厅,作为对外窗口,选派业务骨干进驻;全州商务合作系统行政权力事项共有71项,其中:行政许可1项、行政处罚57项、行政确认1项、行政检查5项、其他行政权力事项7项,以上事项全部进驻政务服务大厅。从受理、审查、批复或审核转报,均授权窗口首席代表办理。今年一体化政务服务平台运行情况为,事项认领率达100%,事项发布率达100%,办事指南正确率达100%,办件覆盖率达100%。二是全面实施市场准入负面清单制度,清理规范负面清单之外违规设立的市场准入许可、准入环节违规设置的隐形门槛、清单之外违规制定的其他形式的负面清单,确保“非禁即入”普遍落实。落实好外商投资准入前国民待遇加负面清单管理制度,对负面清单之外领域按照“内外资一致”原则实施管理。三是加强政务诚信建设。建立健全“政府承诺+社会监督+失信问责”机制,认真履行在招商引资、政府与社会资本合作等活动中与投资主体依法签订的各类合同,防止“新官不理旧账”。开展政务失信专项治理,全面梳理政府对企业失信事项,依法依规提出限期解决措施。
二、宣传引导见成效
(一)切实开展党内法律法规的宣传。为把全面从严治党引向深入,扎实开展党风廉政建设,召开了党员干部警示教育会议。要求全局党员干部要提高思想认识,增强廉洁自律自觉、加强警示教育,守住政治纪律底线、坚持严于律己,用心用情勤政务实,要认真遵守《廉政准则》,把好思想关、欲望关、权力关、小节关、约束关“廉政五关”,克服攀比心态、特殊心态、侥幸心态“三种心态”,做“为民、务实、清廉”的表率,要强力推进正风肃纪,深化建设勤政务实、建设风清气正的商务部门形象。
(二)积极开展法治宣传进企业。全面做好全州商贸流通领域消防安全工作,提升行业监管水平和企业安全生产主体责任意识,对全局干部职工及商场、超市、二手车交易、再生资源回收等重点监管企业负责人开展了消防安全知识培训。在培训中,组织观看了火灾警示宣传片,用“血的经验和教训”告知大家消防安全工作的重要性;并通过案例分析,就如何使用消防器材应对突发火灾以及如何根据现场实际情况选择正确的逃生和自救方式作了详细讲解,就加强行业消防安全监管工作提出了建议意见。
(三)开展全民学法考法活动。一是落实学法治理工作。制定和下发了《甘孜州商务合作局2024年普法依法治理工作安排》、《甘孜州商务和经济合作局2024年依法治州要点》《甘孜州商务合作局2024年度学法计划》等目标工作。二是加强执法人员理论学习。组织全局执法人员参加执法理论和业务知识考试,共29人完成培训考试;对新申请办理执法证1人进行行政执法人员资格考试,全局现有行政执法证24人。三是积极开展行政执法人员大学习大练兵大比武活动。在商务合作系统内开展行政执法人员大学习大练兵大比武活动,积极组织相关人员开展相关知识考试。
三、下一步工作安排
下一步,我局将紧紧围绕全州法治政府建设的工作要求,紧扣商务合作工作实际,进一步深入推进法治政府建设工作,努力推动法治商务合作建设再上新台阶,为推动我州商务合作事业高质量发展创造更加良好的法治环境。
(一)着力加强干部人才队伍建设。一是加强教育培训。除开展法律知识教育培训外,加强商务合作专业知识的培训,加强商务合作行政执法知识的教育,确保培养高水平专业人才。二是培养后备人才干部,注重法治政府建设年轻干部后备人才的培养。三是把法律知识融入到中心组、党支部的学习中,提高全体干部职工法治意识、法律修养,增强法治观念。
(二)着力加强法治政府建设宣传工作。一是利用微博、微信公众号的推广功能有针对性地开展商务法律法规宣传教育。二是引导督促企业开展法律知识宣传活动,营造良好的商务合作法治氛围。
(三)着力畅通政务监督渠道,健全知情明政机制。坚持“公开为常态,不公开为例外”,加强政务信息公开,完善商务合作投诉举报渠道,做好政务信息公开反馈工作,认真做好政策解读与舆情的监测工作。
甘孜州商务和经济合作局
2025年1月17日
17
2025-02甘孜州商务和经济合作局 关于做好2025年春节及藏历新年期间 市场保供工作的通知
各县(市)商务主管部门、海管委、亚管局:
2025年春节临近,按照商务厅和州委、州政府有关工作部署,为保障节日期间生活必需品市场供应稳定,营造良好节日氛围,现将有关事项通知如下。
一、高度重视,压紧压实责任
各县(市)商务主管部门要提高思想认识和政治站位,充分认识节日期间稳定市场,保障供应的重要性,加强组织领导,明确职责分工,强化部门协作。坚持底线思维,提前研判春节、藏历新年消费需求可能叠加释放的实际,进一步完善工作预案,严格落实应急值守制度,采取切实有效举措,保障生活必需品市场供应充足丰富,运行平稳有序。
二、强化对接,畅通保供网络
及时掌握分析本地区商业储备粮油肉蛋奶果蔬等生活必需品市场供应情况,指导应急保供骨干商贸流通企业拓宽货源渠道,强化毗邻地区产销对接,保障市场循环畅通。充分考虑极端天气,密切跟踪分析天气变化影响,加强与气象、交通运输、应急管理等部门协作,积极应对低温雨雪冰冻天气以及应急突发事件,协调打通交通运输难点堵点,保障末端配送顺畅,维护保供网络平稳有序运转受影响地区要重点关注安置群众需求,视情增加销售点,方便群众采购。
三、增加备货,做好储备调节
落实“菜篮子”市长负责制相关要求,指导企业根据节日销售和天气情况适当增加商业库存,保障节日市场供给的多样性和丰富性。寒潮、暴雪等自然灾害多发、旅游目的地、返乡人员较多的地区,要合理预估本地生活必需品需求,提前作出安排;通过采取政府储备和商业代储相结合方式,根据自身情况联合相关部门建立完善蔬菜储备,以备不时之需;结合市场形势变化,及时投放平价肉类、蔬菜等生活必需品,进一步补充市场供应需求,保障节日期间市场供应。
四、加强排查,防范安全隐患
针对节日期间人流物流集中、消费促进活动多等特点,会同相关部门深入批发市场、大型商超、农贸市场等经营一线,做好安全风险隐患排查整治,发现问题,立行立改。低温冰冻灾害风险较高的地区,要加强安全评估和检查巡查,督促保供企业落实风险防范措施。
五、提升能力,做好应急响应
及时梳理本地区重点保供企业名录,准确掌握本地及周边地区库存情况、政府储备数量和产能分布,必要时按需就近调运补充。健全跨县(市)跨区域联保联供机制,做好物资调运准备。完善保供方案预案,做好“人、货、场”有效衔接,确保紧急情况下货源“找得到、调得出、用得上”。
六、强化监测,做好信息报送
强化节日消费市场监测预警,密切关注市场运行情况,指导督促本地区样本企业及时准确填报数据,做好监测分析、预测预警和信息上报等工作。加强与主流媒体沟通联系,加大对节日保供举措的宣传力度,稳定市场预期;密切配合市监部门打击囤积居奇、哄抬物价等非法行为,切实营造节日良好的消费环境。遇有重要情况,迅速妥善处置,并按程序报告。
请各县(市)认真梳理本地节前生活必需品市场保供工作举措、成效以及库存增加比例、可供应天数等数据,突出亮点、简明扼要,于1月17日前,以电子版形式反馈州局消费促进科。梳理节前消费促进工作情况、春节期间重点促消费举措,于1月20日前,以电子版形式反馈州局消费促进科。
甘孜州商务和经济合作局
2025年1月10日
22
2025-01节前消费热,“菜篮子”价稳货丰、供应足 --州商务局联合有关部门开展节前商贸流通市场大检查
佳节将近,年味日益浓厚。为积极应对节前消费需求大幅攀升,切实保障老百姓能够便捷置办年货,确保“菜篮子”“果盘子”“米袋子”货足价稳,州商务局联合州市场监管等部门开展节前商贸流通领域大检查。1月15日-17日,州商务局王华东副局长带队先后前往康定郭达市场、康定民贸连锁、泸沣超市、泸定蔬菜批发市场等应急保供骨干商贸流通企业开展节前生活必需品市场供应稳价及安全生产检查工作。

(一)物资储备充裕,供应品类丰富多样。检查过程中,各农贸市场和商超积极响应保供要求,提前谋划、加大备货力度。商业储备粮、油、肉、蛋、奶、蔬菜、水果等生活必需品储备量充足。走进康定郭达市场、泸定农贸市场,蔬菜摊位上小白菜、莴笋、西兰花、包菜等各类叶菜翠绿鲜嫩,白萝卜、土豆、山药、藕等根茎类蔬菜摆满了货架。据市场管理人员介绍,近期蔬菜日供应量可达20吨左右,能充分满足“两节”期间居民日常需求。水果区域,本地苹果、橙子、草莓等水果应有尽有,从本地常见水果再到进口水果,储备都十分充足。肉类销售区,猪肉、牛肉、鸡肉等肉类分割整齐,新鲜度高,能够全方位满足消费者多样化需求。在民贸连锁、德惠、泸沣等超市,米、面、粮油等主食区域货架满满当当,各类品牌、规格一应俱全。超市负责人表示,为应对“两节”消费高峰,已提前对接总部和多家优质供应商建立紧密合作,确保每日都有稳定的货源供应。

(二)价格平稳运行,商品满仓供应充足。经走访了解,蔬菜价格方面,货源供应充足稳定。截止1月16日,所监测的25个蔬菜品种均价为4.79元,较上周下降0.62%。猪肉价格方面,居民对猪肉的购买热情没有明显增加,制作香肠腊肉接近尾声,价格基本保持在每斤14.5元左右。米、面、油、盒装牛奶价格方面,标一米2.55元/500克,面粉2.33元/500克,散装菜籽油71.95元/5升,桶装食用调和油63元/5升,盒装牛奶3元/250ml。

(三)畅通供应渠道,点燃双节消费潮。为确保紧急时刻货源能迅速响应,做到“找得到、调得出、用得上”,积极引导全州93户骨干保供企业在“双节”期间坚持营业,适当延长营业时间;督导边境县市与成都、雅安、阿坝、凉山、冕宁及云南迪庆等地,搭建区域联保联供合作网络,引导商超、农贸市场,结合节日销售与天气,提前拓宽货源渠道,着重加大米面油、猪肉、蔬菜、方便食品等核心必需品的供应与采购,保障10-15天的需求量,实现“人、货、场”高效协同。与此同时,各县市还纷纷推出系列诚意拉满、形式丰富的促销活动,从限时折扣到满额赠礼,从消费抽奖到特色展销,精彩不断,让就地过节居民畅享实惠,购物车满满当当,满载而归。
(四)应急机制完备,保障措施扎实有力。商务部门及农贸市场和商超均建立了完善的供应机制,制定了详细的应急预案,明确了在突发情况下的物资调配、人员分工、价格调控等措施。于此同步,州市场监管部门针对两地在售商品展开严格抽检工作,重点对商品的生产日期、保质期、合格证,商品价格标签等关键信息,全力保障商品质量过关、价格合规,确保问题商品不流入市场,让群众买得放心、吃得安心。
(五)强化排查隐患,筑牢市场安全防线。安全无小事,检查组还对农贸市场和商超的消防设施、安全通道等进行了全面检查,仔细查看消防器材是否配备齐全且在有效期内,安全通道是否畅通无阻,疏散指示标志是否清晰可见等,督促市场管理方和商超要严格落实安全生产主体责任,加强日常安全管理,定期开展隐患排查整改,及时消除各类安全隐患,确保节日期间市场安全有序运营,为群众营造一个平安祥和的购物环境。
节日期间,我局将持续关注市场动态,加强与各相关部门的协作,确保春节、藏历新年期间主要生活必需品供应稳定、调运高效、市场秩序井然,为广大就地过节居民和来州游客营造一个欢乐祥和的节日氛围。